КВ-усилители на лампах.
КВ-усилители на лампах.
Здравствуйте!На форумах не отвечают на мой вопрос-будет работать усилитель на 2-х ГУ29 с заземлёнными сетками как на ГУ50??
Реклама
КВ-усилители на лампах.
Давным-давно у Николая ex-RA9OEU был самодельный трансивер с двумя лампами ГУ-29 на выходе,нормально работал.
-
- Сообщения: 2142
- Зарегистрирован: 21 ноя 2011, 21:14
- Откуда: NO14TH
- Благодарил (а): 119 раз
- Поблагодарили: 60 раз
КВ-усилители на лампах.
Добрался таки до железки
давно руки чесались, да все никак.
Хотелось бы выяснить что за звёръ такой. Ну и некоторые вопросы по использованию данного чуда 1971г.вып.

Хотелось бы выяснить что за звёръ такой. Ну и некоторые вопросы по использованию данного чуда 1971г.вып.
73! RX9O - Дмитрий.
-
- Сообщения: 2142
- Зарегистрирован: 21 ноя 2011, 21:14
- Откуда: NO14TH
- Благодарил (а): 119 раз
- Поблагодарили: 60 раз
КВ-усилители на лампах.
Одну лампу отмыл еще давным-давно, вселяет надежду.
Слышал такое поверье, что мол С3 (он же "рог") лампы рекомендуется заземлять только с одной стороны. Либо в панели, либо за сам "рог". Иначе "засвистит". Но не помню при каком включении, может это только при включении с ОС и раскачкой в катод такой эффект. В связи с этим первый вопрос - имеет ли смысл заморачиваться с "не достающим" конденсатором при заводской схеме включения.
Отправлено спустя 6 минут 58 секунд:
Еще интересно что за "кирпичики" коричневые попарно прикручены ленточными скобами. Выводы с одной стороны подключены к накалу, он же катод. С другой стороны припаяны к на землю. Вродь конденсаторы... Но почему такое исполнение, будто бы это проходные конденсаторы или вдруг еще чего
Сам же корпус у них вряд ли имеет контакт с шасси.
Отправлено спустя 38 минут 13 секунд:
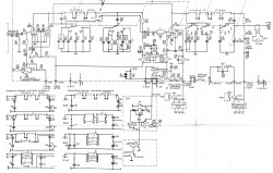
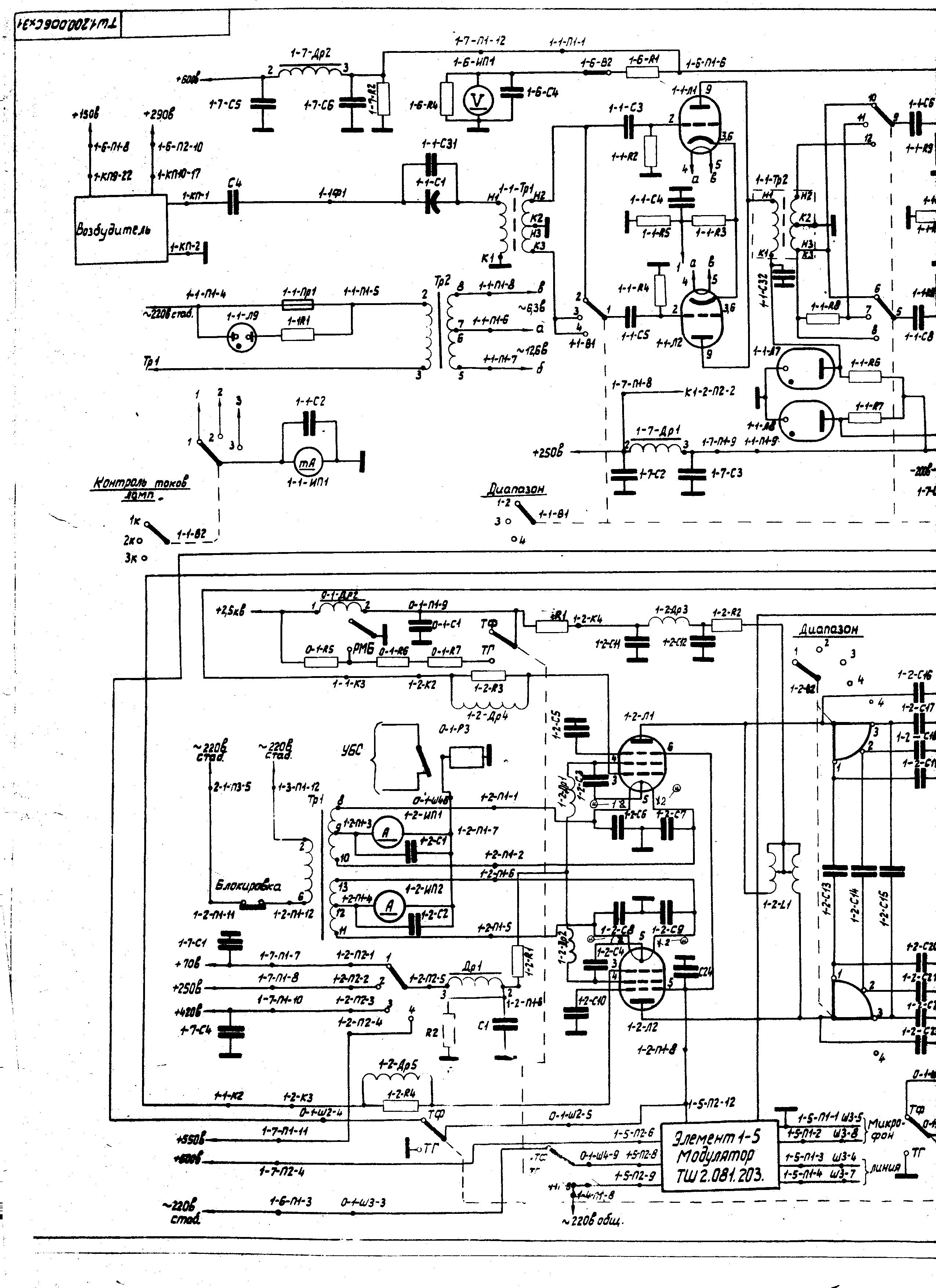
Схема ВКС примерно такая. Просьба не кидаться тапками, старался как мог
Возбуждение как писал выше в С3 каждой лампы отдельно. Два подпружиненных изолированных контакта на корпусе, с противоположной тоже 2 контакта, но с выхода ВКС. Это двухтакт или ?
Имеется переключатель * ПОДДИАПАЗОН*, он синхронно в каждой половинке последовательно "нашампуривает" точки 4, 3, 2 и 1, соединяя их вместе. Тем самым "подкидывая" дополнительные емкости. Ручка *НАСТРОЙКА* синхронно "гоняет" ползуны по катушкам. Тут понятно... но не совсем понятно как работают емкости "в стекле". На схеме обведены квадратиками - 25пф 50пф и 100пф.
Кто бы разложил по полочкам, чего тут и как. П-контур тут вроде не просматривается... Роль вакуумных конденсаторов - они работают в резонанс или еще как? На баллонах 15кВ указано, это напряжение или быть может квары (или как их там) ? Когда они не подключены (вакуумники), они все равно "болтаются" в схеме. Получается три гирлянды параллельно по 3 последовательных конденсатора между выходами...
Те конденсаторы что "подстегиваются" выполняют роль связи с антенной (ну или последующих каскадов) для согласования или это емкостной делитель вместе с вакуумными?
Ну и главное. Если это хозяйство использовать, то как лучше? Приделать двухтактный возбудитель или еще чего. Например симметрирующий трансформатор или согласующее. Вродь с возбудителем меньше шансов при простреле спалить трансивер. Или в параллель? Тогда какие переделки понадобятся?
Ящик какой то, в 2 раза больше этого, имеется. Какое то УСС, только не факт что оно от этой штуковины. Нигде ни одной "щильды" не нашел.
"Следов" товарища прапорщика не заметил. Кроме одной странности в монтаже ламповых панелей Л1 и Л2.
Как говорится, сравни картинки и найди отличия. На Л1 не блокировочного конденсатора по С3. Но это не "товарищ прапорщик" стыбзил, так и було ) с завода. Потому что на земляной шине из меди нет лепестка для пайки, как у второй лампы. Схема как полагаю с ОК, раскачка в С1 обех ламп. Л1 находится дальше от блочного разъема чем Л2.Слышал такое поверье, что мол С3 (он же "рог") лампы рекомендуется заземлять только с одной стороны. Либо в панели, либо за сам "рог". Иначе "засвистит". Но не помню при каком включении, может это только при включении с ОС и раскачкой в катод такой эффект. В связи с этим первый вопрос - имеет ли смысл заморачиваться с "не достающим" конденсатором при заводской схеме включения.
Отправлено спустя 6 минут 58 секунд:
Еще интересно что за "кирпичики" коричневые попарно прикручены ленточными скобами. Выводы с одной стороны подключены к накалу, он же катод. С другой стороны припаяны к на землю. Вродь конденсаторы... Но почему такое исполнение, будто бы это проходные конденсаторы или вдруг еще чего

Схема ВКС примерно такая. Просьба не кидаться тапками, старался как мог

Возбуждение как писал выше в С3 каждой лампы отдельно. Два подпружиненных изолированных контакта на корпусе, с противоположной тоже 2 контакта, но с выхода ВКС. Это двухтакт или ?
Имеется переключатель * ПОДДИАПАЗОН*, он синхронно в каждой половинке последовательно "нашампуривает" точки 4, 3, 2 и 1, соединяя их вместе. Тем самым "подкидывая" дополнительные емкости. Ручка *НАСТРОЙКА* синхронно "гоняет" ползуны по катушкам. Тут понятно... но не совсем понятно как работают емкости "в стекле". На схеме обведены квадратиками - 25пф 50пф и 100пф.
Кто бы разложил по полочкам, чего тут и как. П-контур тут вроде не просматривается... Роль вакуумных конденсаторов - они работают в резонанс или еще как? На баллонах 15кВ указано, это напряжение или быть может квары (или как их там) ? Когда они не подключены (вакуумники), они все равно "болтаются" в схеме. Получается три гирлянды параллельно по 3 последовательных конденсатора между выходами...

Те конденсаторы что "подстегиваются" выполняют роль связи с антенной (ну или последующих каскадов) для согласования или это емкостной делитель вместе с вакуумными?
Ну и главное. Если это хозяйство использовать, то как лучше? Приделать двухтактный возбудитель или еще чего. Например симметрирующий трансформатор или согласующее. Вродь с возбудителем меньше шансов при простреле спалить трансивер. Или в параллель? Тогда какие переделки понадобятся?
Ящик какой то, в 2 раза больше этого, имеется. Какое то УСС, только не факт что оно от этой штуковины. Нигде ни одной "щильды" не нашел.
73! RX9O - Дмитрий.
- RW9OW
- Сообщения: 817
- Зарегистрирован: 19 сен 2011, 15:24
- Благодарил (а): 26 раз
- Поблагодарили: 59 раз
- Контактная информация:
КВ-усилители на лампах.
Это блок от передатчика "ВЯЗ" - предварительный каскад перед двумя лампами ГУ5Б. Каскады двухтактные. Схемы можно легко найти.
Запустить как обычный усилитель не получится, нужно переделывать ВСЕ - лампы в параллель (схема с общими сетками), в выходном каскаде
катушки последовательно, на "горячий" конец подключать постоянные вакуумные конденсаторы разной емкости, на "холодный" (антенный) добавить переменный конденсатор. Такая схема используется в передатчике Р-140 - сделать по образу и подобию.
Запустить как обычный усилитель не получится, нужно переделывать ВСЕ - лампы в параллель (схема с общими сетками), в выходном каскаде
катушки последовательно, на "горячий" конец подключать постоянные вакуумные конденсаторы разной емкости, на "холодный" (антенный) добавить переменный конденсатор. Такая схема используется в передатчике Р-140 - сделать по образу и подобию.
73! Андрей RW9OW
-
- Сообщения: 2142
- Зарегистрирован: 21 ноя 2011, 21:14
- Откуда: NO14TH
- Благодарил (а): 119 раз
- Поблагодарили: 60 раз
КВ-усилители на лампах.
Спасибо за схему.
А я думал что криво переключатель *поддиапазон* нарисовал. Тута не слаще, просто так не сообразишь.
Да, схемка соответствует. Есть косяк маленький, вместо вывода 6 на Л2 указан 5. Но эт не страшно. Есть отличие, в реальности СРТ накала вывод 5 никуда не подключен. А выводы конденсаторов, идущие по схеме к ней, подключены на общую шину. Интересно как правильнее было бы
Бум искать схему на Р-140.
Вопрос по ВКС напрашивается. Нельзя ли использовать как то штатную систему для перехода по диапазонам, а согласование с антеннами уже осуществлять отдельным блоком УСС? Тут как понимаю к лампе подключен параллельный колебательный контур, а отвод энергии и согласование через емкостной делитель. Наверно так "комфортнее" для ламп будет или...? Или будут огроменные искры
если вместо "ползуна" в катушке поставить реле для замыкания витков?

Да, схемка соответствует. Есть косяк маленький, вместо вывода 6 на Л2 указан 5. Но эт не страшно. Есть отличие, в реальности СРТ накала вывод 5 никуда не подключен. А выводы конденсаторов, идущие по схеме к ней, подключены на общую шину. Интересно как правильнее было бы

Бум искать схему на Р-140.
Вопрос по ВКС напрашивается. Нельзя ли использовать как то штатную систему для перехода по диапазонам, а согласование с антеннами уже осуществлять отдельным блоком УСС? Тут как понимаю к лампе подключен параллельный колебательный контур, а отвод энергии и согласование через емкостной делитель. Наверно так "комфортнее" для ламп будет или...? Или будут огроменные искры

73! RX9O - Дмитрий.
-
- Сообщения: 2142
- Зарегистрирован: 21 ноя 2011, 21:14
- Откуда: NO14TH
- Благодарил (а): 119 раз
- Поблагодарили: 60 раз
КВ-усилители на лампах.
А разве Р-140 бывают на рогатых?
Да еще поди кругом вариометры стоят. В моем УСС вариометр может и был... что то не помню, разбирал какой то, от него ли... Катушка с ползуном и конденсатор переменный с "зазорчиком"
есть.


73! RX9O - Дмитрий.
- RW9OW
- Сообщения: 817
- Зарегистрирован: 19 сен 2011, 15:24
- Благодарил (а): 26 раз
- Поблагодарили: 59 раз
- Контактная информация:
КВ-усилители на лампах.
Я имел в виду, что с Р-140 взять схему выходного контура. У тебя есть ползунковый вариометр, есть вакуумные конденсаторы, дроссель по высокому, не хватает только выходного переменного конденсатора.
Вообще можно попробовать запустить этот усилитель без переделок. Подать все требуемые напряжения, а по входу и по выходу подключить широкополосные трансформаторы, с помощью которых схема из симметричного вида преобразуется в несимметричный коаксиальный.
Кольца только нужны типа 200-400НН и большим диаметром (на входе 100мм, на выходе 200-300мм)
Вообще можно попробовать запустить этот усилитель без переделок. Подать все требуемые напряжения, а по входу и по выходу подключить широкополосные трансформаторы, с помощью которых схема из симметричного вида преобразуется в несимметричный коаксиальный.
Кольца только нужны типа 200-400НН и большим диаметром (на входе 100мм, на выходе 200-300мм)
73! Андрей RW9OW