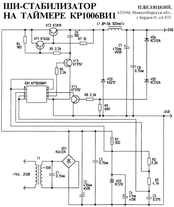
Радиолюбитель №09 1998 П. Беляцкий в разделе Бытовая электроника

Радиолюбитель №09 1998 П. Беляцкий в разделе Бытовая электроника
Радиолюбитель КВ и УКВ №04 1998 UA9OA, UA9PP и UA9-145-30 в списке членов клуба U-DX-C
Радиолюбитель №08 1998 П. Беляцкий в разделе Бытовая электроника
r9o-11
Сообщения: 197
Зарегистрирован: 15 апр 2011, 06:32

Радиолюбитель №09 1998 П. Беляцкий в разделе Бытовая электроника


22 апр 2017, 10:37
1380
пока нет

Вернуться в «Сканы к теме "Радиолюбительская история Новосибирской области" 1997-1998»